The Central Hub for Complex Piping Networks
The Stainless Steel Butt-Weld Cross is a specialized fitting designed to create reliable four-way intersections in critical industrial pipelines. Whether you need an equal cross for symmetrical flow distribution or a reducing cross for stepped-down branch lines, our comprehensive range covers every requirement from DN10 to DN2000.
As part of our Butt-Weld Fittings family, these crosses are engineered for applications where complex piping grids and manifold systems demand maximum integrity – including oil & gas header networks, petrochemical processing, power generation cooling systems, and offshore platform utilities.
Equal vs. Reducing Cross: Understanding the Configuration
| Type | Description | Best Application |
| Equal Cross | All four outlets share the same nominal diameter | Manifold systems, distribution headers, symmetrical piping grids |
| Reducing Cross | Branch outlets (one or more) smaller than main run | Complex take-offs, equipment connections, multi-size distribution |
Engineering Excellence at the Four-Way Junction
Managing stress and ensuring integrity at a four-way intersection presents unique engineering challenges. Our butt-weld crosses are designed to address these through:
-
Reinforced Body Geometry: Enhanced material distribution at the central junction to withstand hydraulic forces and thermal stress from all four connected lines.
-
Seamless or Welded Construction: Available in seamless (for sizes up to DN600) or welded (for larger diameters) configurations, both manufactured to strict dimensional tolerances.
-
Smooth Internal Transitions: Precision manufacturing ensures minimal turbulence at the intersection point, critical for flow efficiency in manifold applications.
-
Beveled Ends: Standard bevel preparation on all outlets for immediate field welding.
Materials Engineered for Extreme Environment
| Material Grade | Key Properties | Typical Applications |
| 304/304L | Excellent corrosion resistance, good formability | General chemical, water treatment, food processing |
| 316/316L | Superior chloride resistance, higher strength | Marine, pharmaceutical, coastal facilities |
| Duplex 2205 | Twice the yield strength of 316L, excellent SCC resistance | Offshore platforms, desalination, sour service |
| Duplex 2507 | Super duplex, extreme corrosion and pitting resistance | Highly aggressive chemical, high-chloride environments |
Global Standard Compliance
All crosses are manufactured and tested to meet or exceed:
-
ASME B16.9 – Factory-Made Wrought Butt-welding Fittings
-
GB/T 12459-2005 – Seamless Butt-welding Pipe Fittings
-
GB/T 13401-2005 – Plate-Formed Butt-welding Pipe Fittings
-
DIN 2615 – Steel Butt-welding Pipe Fittings – Tees
-
SH3408 / SH3409 / SH3410 – Petrochemical Industry Standards
-
HG/T21635, DL/T695, SY/T0510 – Industry-Specific Standards
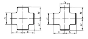
Cross-section Diagram

Specification Table
| Nominal Pipe Size (NPS) | Outside Diameter At Bevel D (mm) | Center to End C (mm) | ||
| Run | Outlet | Run(C) | Outlet(M) | |
| 1/2 x 1/2 | 21.3 | 21.3 | 25.4 | 25.4 |
| 3/4 x 3/4 | 26.7 | 26.7 | 28.4 | 28.4 |
| 1 x 1 | 33.4 | 33.4 | 38.1 | 38.1 |
| 1-1/4 x 1-1/4 | 42.2 | 42.2 | 47.8 | 47.8 |
| 1-1/2 x 1-1/2 | 48.3 | 48.3 | 57.2 | 57.2 |
| 2 x 2 | 60.3 | 60.3 | 63.5 | 63.5 |
| 2-1/2 x 2-1/2 | 73 | 73 | 76.2 | 76.2 |
| 3 x 3 | 88.9 | 88.9 | 85.9 | 85.9 |
| 3-1/2 x 3-1/2 | 101.6 | 101.6 | 95.2 | 95.2 |
| 4 x 4 | 114.3 | 114.3 | 104.6 | 104.6 |
| 5 x 5 | 141.3 | 141.3 | 124 | 124 |
| 6 x 6 | 168.3 | 168.3 | 142.7 | 142.7 |
| 8 x 8 | 219.1 | 219.1 | 177.8 | 177.8 |
| 10 x 10 | 273.1 | 273.1 | 215.9 | 215.9 |
| 12 x 12 | 323.9 | 323.9 | 254 | 254 |
| 14 x 14 | 355.6 | 355.6 | 279.4 | 279.4 |
| 16 x 16 | 406.4 | 406.4 | 304.8 | 304.8 |
| 18 x 18 | 457.2 | 457.2 | 342.9 | 342.9 |
| 20 x 20 | 508 | 508 | 381 | 381 |
| 22 x 22 | 558.8 | 558.8 | 419.1 | 419.1 |
| 24 x 24 | 609.6 | 609.6 | 431.8 | 431.8 |
| 26 x 26 | 660.4 | 660.4 | 495.3 | 495.3 |
| 28 x 28 | 711.2 | 711.2 | 520.7 | 520.7 |
| 30 x 30 | 762 | 762 | 558.8 | 558.8 |
| 32 x 32 | 812.8 | 812.8 | 596.9 | 596.9 |
| 34 x 34 | 863.6 | 863.6 | 635 | 635 |
| 36 x 36 | 914.4 | 914.4 | 673.1 | 673.1 |
| 38 x 38 | 965.2 | 965.2 | 711.2 | 711.2 |
| 40 x 40 | 1016 | 1016 | 749.3 | 749.3 |
| 42 x 42 | 1066.8 | 1066.8 | 762 | 762 |
| 44 x 44 | 1117.6 | 1117.6 | 812.8 | 762 |
| 46 x 46 | 1168.4 | 1168.4 | 850.9 | 800.1 |
| 48 x 48 | 1219.2 | 1219.2 | 889 | 838.2 |
| 52 x 52 | 1320.8 | 1320.8 | 965.2 | 914.4 |
| 54 x 54 | 1371.6 | 1371.6 | 1003.3 | 952.5 |
| 56 x 56 | 1422.4 | 1422.4 | 1041.4 | 965.2 |
| 60 x 60 | 1524 | 1524 | 1117.6 | 1016 |
| 64 x 64 | 1626 | 1626 | 1194 | 1092 |
| 66 x 66 | 1676.4 | 1676.4 | 1219.2 | 1066.8 |
| 68 x 68 | 1727 | 1727 | 1270 | 1168 |
| 72 x 72 | 1829 | 1829 | 1320 | 1245 |
| 76 x 76 | 1930 | 1930 | 1422 | 1320 |
| 80 x 80 | 2032 | 2032 | 1499 | 1397 |
For complete dimensional data for all sizes (DN10–DN2000), download our Butt-Weld Cross Technical Documentation.
Key Applications
-
Oil & Gas: Header networks, manifold systems, gathering stations
-
Petrochemical: Distribution headers, reactor feed systems
-
Power Generation: Cooling water manifolds, steam distribution
-
Offshore Platforms: Utility headers, firewater distribution
-
Water Treatment: Filter manifolds, distribution grids
-
Shipbuilding: Ballast system manifolds, fire main networks
-
Industrial Plants: Compressed air headers, process distribution
Quality Assurance & Testing
-
Material Traceability: Mill certificates provided for all raw materials
-
Dimensional Inspection: 100% inspection to ASME B16.9 / GB/T12459 tolerances
-
Non-Destructive Testing: RT/UT/PT/MT available upon request
-
Mechanical Testing: Tensile strength, hardness, flattening tests per batch
-
Chemical Analysis: Verification of material composition
-
Hydrostatic Testing: Available upon customer request
Custom Options
-
Special Materials: Other grades available upon request
-
Non-Standard Dimensions: Custom sizes and reducing configurations
-
End Preparation: Beveled ends standard; special preparations available
-
Marking: Laser marking per customer specification




