The Essential Component for Flanged Connections in Piping Systems
The Stainless Steel Butt-Weld Stub End (also known as a Lap Joint Stub End) is a critical fitting used in conjunction with lap joint flanges to create removable, serviceable flanged connections. Unlike standard weld neck flanges, this combination allows the flange to rotate freely around the stub end, simplifying bolt hole alignment during installation and enabling easy disassembly for maintenance.
As part of our Butt-Weld Fittings family, stub ends are widely used in systems requiring regular maintenance, such as heat exchangers, reactors, and equipment connections across oil & gas, petrochemical, and chemical processing industries.
How the Stub End & Lap Joint Flange System Works
| Component | Function |
| Stub End | Butt-welded to the pipe end, providing the sealing face and transition to the flange |
| Lap Joint Flange | Slides freely over the stub end, rotates for bolt alignment, and does not contact the process fluid |
| Sealing Surface | The stub end’s raised face (or flat face) creates the gasket sealing surface against the mating flange |
Key Advantages of Using Stub Ends
-
Lower Material Cost: Lap joint flanges are typically less expensive than weld neck flanges, especially in high-alloy materials like duplex stainless steel.
-
Simplified Alignment: The rotating flange eliminates bolt hole alignment issues during installation.
-
Easy Maintenance: Flanges can be removed without cutting or welding, ideal for systems requiring frequent inspection or cleaning.
-
Reduced Stress Concentration: The butt-weld connection to the pipe provides full strength without stress concentration at the flange weld.
Engineering Excellence in Every Stub End
-
Seamless or Welded Construction: Available in seamless (up to DN600) or welded configurations, both manufactured to strict dimensional tolerances.
-
Precision Machined Sealing Face: The lap surface is machined to provide a smooth, flat sealing face for gaskets.
-
Consistent Wall Thickness: Precision forming ensures uniform thickness through the transition zone.
-
Beveled End: Standard butt-weld bevel preparation for field welding to pipe.
Materials Engineered for Extreme Environments
| Material Grade | Key Properties | Typical Applications |
| 304/304L | Excellent corrosion resistance, good formability | General chemical, food processing, water treatment |
| 316/316L | Superior chloride resistance, higher strength | Marine, pharmaceutical, coastal facilities |
| Duplex 2205 | Twice the yield strength of 316L, excellent SCC resistance | Offshore platforms, desalination, sour service |
| Duplex 2507 | Super duplex, extreme corrosion and pitting resistance | Highly aggressive chemical, high‑chloride environments |
Global Standard Compliance
All stub ends are manufactured and tested to meet or exceed:
-
ASME B16.9 – Factory-Made Wrought Butt-welding Fittings
-
GB/T 12459-2005 – Seamless Butt-welding Pipe Fittings
-
GB/T 13401-2005 – Plate-Formed Butt-welding Pipe Fittings
-
DIN 2615 – Steel Butt-welding Pipe Fittings
-
SH3408 / SH3409 / SH3410 – Petrochemical Industry Standards
-
HG/T21635, DL/T695, SY/T0510 – Industry-Specific Standards
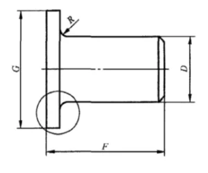
Cross-section Diagram

Specification Table
| Nominal Pipe Size (NPS) | Outside Diameter At Bevel D (mm) | Outside Diameter of Barrel(mm) | Length F(mm) | Radius of Fillet R(mm) | Diameter of Lap G(mm) | |||
| Min. | Max. | ASME | MSS | ANSI & MSS Type A | MSS Type B | |||
| 1/2 | 21.3 | 20.55 | 22.76 | 76.2 | 50.8 | 3 | 0.8 | 35 |
| 3/4 | 26.7 | 25.88 | 28.09 | 76.2 | 50.8 | 3 | 0.8 | 42.9 |
| 1 | 33.4 | 32.61 | 34.95 | 101.6 | 50.8 | 3 | 0.8 | 50.8 |
| 1-1/4 | 42.2 | 41.38 | 43.59 | 101.6 | 50.8 | 4.8 | 0.8 | 63.5 |
| 1-1/2 | 48.3 | 47.47 | 49.94 | 101.6 | 50.8 | 6.4 | 0.8 | 73.2 |
| 2 | 60.3 | 59.54 | 62.38 | 152.4 | 63.5 | 7.9 | 0.8 | 91.9 |
| 2-1/2 | 73 | 72.24 | 75.34 | 152.4 | 63.5 | 7.9 | 0.8 | 104.6 |
| 3 | 88.9 | 88.11 | 91.34 | 152.4 | 63.5 | 9.7 | 0.8 | 127 |
| 3-1/2 | 101.6 | 100.81 | 104.04 | 152.4 | 76.2 | 9.7 | 0.8 | 139.7 |
| 4 | 114.3 | 113.51 | 116.66 | 152.4 | 76.2 | 11.2 | 0.8 | 157.2 |
| 5 | 141.3 | 140.51 | 144.35 | 203.2 | 76.2 | 11.2 | 1.5 | 185.7 |
| 6 | 168.3 | 167.49 | 171.27 | 203.2 | 88.9 | 12.7 | 1.5 | 215.9 |
| 8 | 219.1 | 218.29 | 222.07 | 203.2 | 101.6 | 12.7 | 1.5 | 269.7 |
| 10 | 273.1 | 272.26 | 277.19 | 254 | 127 | 12.7 | 1.5 | 323.9 |
For complete dimensional data for all sizes (DN10–DN600), download our Butt-Weld Stub End Technical Documentation.
Key Applications
-
Heat Exchangers: Removable tube bundles, maintenance access
-
Chemical Processing: Reactors, vessels requiring frequent cleaning
-
Pharmaceutical: Sanitary connections, equipment disconnection
-
Food & Beverage: CIP (clean-in-place) systems
-
Oil & Gas: Modular equipment connections, skid assemblies
-
Power Generation: Turbine connections, serviceable joints
-
Water Treatment: Pump and valve connections
Quality Assurance & Testing
-
Material Traceability: Mill certificates provided for all raw materials
-
Dimensional Inspection: 100% inspection to ASME B16.9 / GB/T12459 tolerances
-
Surface Finish Verification: Sealing face flatness and finish inspected per standard
-
Non-Destructive Testing: RT/UT/PT/MT available upon request
-
Mechanical Testing: Tensile strength, hardness, flattening tests per batch
-
Chemical Analysis: Verification of material composition
Custom Options
-
Special Materials: Other grades available upon request
-
Non-Standard Dimensions: Custom lengths and face dimensions
-
Face Finish: Raised face (RF) or flat face (FF) available
-
End Preparation: Beveled ends standard; special preparations available
-
Marking: Laser marking per customer specification







